Technical Specifications
![]()
| model | Work pressure (MPa) | Design pressure (MPa) | Operating temperature(°C) | Design temperature(°C) | Water tank effectiveVolume (m³) | Safety valve settingPressure (MPa) | Operating mode | ||
| ZCM-40 | 0.17 | 0.4 | 130 | 300 | 20 | 0.25 | Constant pressure/sliding pressure | ||
| ZCM-50 | 0.17 | 0.4 | 130 | 300 | 25 | 0.25 | Constant pressure/sliding pressure | ||
| ZCM-75 | 0.17 | 0.4 | 130 | 300 | 30/35 | 0.25 | Constant pressure/sliding pressure | ||
| ZCM-85 | 0.17 | 0.4 | 130 | 300 | 35/40 | 0.25 | Constant pressure/sliding pressure | ||
| ZCM-90 | 0.17 | 0.4 | 130 | 300 | 35/40 | 0.25 | Constant pressure/sliding pressure | ||
| ZCM-100 | 0.17 | 0.4 | 130 | 300 | 40 | 0.25 | Constant pressure/sliding pressure | ||
| ZCM-130 | 0.17 | 0.4 | 130 | 300 | 40/50 | 0.25 | Constant pressure/sliding pressure | ||
| ZCM-150 | 0.17 | 0.4 | 130 | 300 | 50/60 | 0.25 | Constant pressure/sliding pressure | ||
| ZCM-200 | 0.17 | 0.4 | 130 | 300 | 70 | 0.25 | Constant pressure/sliding pressure | ||
| ZCM-230 | 0.17 | 0.4 | 130 | 300 | 70 | 0.25 | Constant pressure/sliding pressure | ||
| ZCM-300 | 0.17 | 0.4 | 130 | 300 | 80/100 | 0.25 | Constant pressure/sliding pressure | ||
| ZCM-350 | 0.17 | 0.4 | 130 | 300 | 100 | 0.25 | Constant pressure/sliding pressure | ||
| ZCM-400 | 0.17 | 0.4 | 130 | 300 | 100 | 0.25 | Constant pressure/sliding pressure | ||
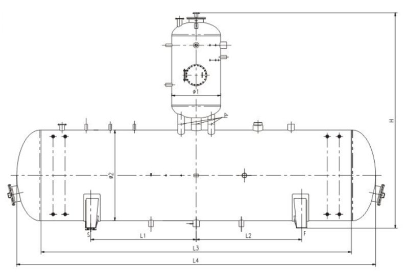
| model | L1 | L2 | L3 | L4 | φ1 | φ2 | H | |
| ZCM-40 | 2000 | 2000 | 5700 | 6900 | 1000 | 2200 | 6050 | |
| ZCM-50 | 2200 | 2200 | 6000 | 7300 | 1000 | 2400 | 6250 | |
| ZCM-75 | 2500 | 2500 | 6100 | 7500/7600 | 1200 | 2600/2800 | 6540/6750 | |
| ZCM-85 | 2500/2750 | 2500/2750 | 6100/7100 | 7600/8600 | 1400 | 2800 | 6750 | |
| ZCM-90 | 2500/2750 | 2500/2750 | 6100/7100 | 7600/8600 | 1400 | 2800 | 6750 | |
| ZCM-100 | 2750 | 2750 | 7100 | 8600 | 1400 | 2800 | 6750 | |
| ZCM-130 | 2750 | 2750 | 7100 | 8600 | 1500 | 2800 | 6800 | |
| ZCM-150 | 3000 | 3000 | 7800/8100 | 9800 | 1600 | 3000/3200 | 7240/7440 | |
| ZCM-200 | 4000 | 4000 | 9700 | 11400 | 1800 | 3200 | 6810 | |
| ZCM-230 | 4000 | 4000 | 9700 | 11400 | 2000 | 3200 | 6860 | |
| ZCM-300 | 4500/6000 | 4500/6000 | 11200/14200 | 12900/15900 | 2400 | 3200 | 6980 | |
| ZCM-350 | 6000 | 6000 | 14200 | 15900 | 2400 | 3200 | 6980 | |
| ZCM-400 | 6000 | 6000 | 14200 | 15900 | 2600 | 3200 | 7050 | |
